Определяющими методами соединения проводников в электротехнике являются - последовательное и параллельное соединения. Так же нашли широкое применение их разнообразные комбинации.
Последовательным соединением проводников принято обозначать тип соединения, при котором конец предшествующего элемента электрической цепи стыкуется с началом лишь одного — последующего:
При последовательном соединении сопротивление является итогом сопротивлений всех проводников (R = R1 + R2), сила тока будет неизменной (I = const) согласно закону сохранения заряда, а напряжение, аналогично сопротивлению, тождественно сумме напряжений на каждом отрезке (U = U1 + U2).
Параллельным соединением проводников принято обозначать тип соединения, при котором все проводники включены между одной и той же парой точек (узлов).
Узел — место разветвления цепи, в которой объединяются не менее трёх проводников.
Сила тока при параллельном соединении является итогом сил тока на каждом проводнике (I = I1+ I2), напряжение будет неизменным (U = const). А сопротивление характеризуется проводимостью (G) проводника.
Проводимость — показатель, обратно пропорциональный сопротивлению (G = 1/R), выражается в сименсах (1 См = 1 Ом-1) и при параллельном соединении будет является суммой проводимостей всех проводников (G = G1+ G2), значит, 1/R = 1/R1+ 1/R2.
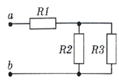
Смешанным соединением проводников принято обозначать тип соединение, при котором отдельные элементы электрической цепи стыкуются последовательно, а отдельные — параллельно:
Для вычисления силы тока, напряжения и сопротивления при данном типе соединении, требуется разделить его на элементарные сегменты, и вычислить силу тока, напряжение и сопротивление в них с учетом вышеперечисленных закономерностей, при этом схема упростится и вычислить в ней требуемые параметры будет значительно легче.
Электромагнитные колебания


